所有産品分類(lèi)
Product categories
明諾聯系方式(shì)
名稱:山東昆明彩(cǎi)和材料制造有限(xiàn)公司
地址:山東省(shěng)臨沂市費縣探沂(yi)鎮
經濟開發區縱(zong)二路西側
電話:0539-8338848
手(shǒu)機:13455966866 / 13188710977
傳真:0539-8338848
郵編:276000
郵箱(xiang):[email protected]
網址:http://www.lysx.cc
針型閥(fá)系列
當前位置:主(zhǔ)頁 > 産品中心 > 針型(xíng)閥系列 >
法蘭針型(xing)閥
文章來源:昆明(ming)彩和材料制造有(yǒu)限公司 添加時間(jiān):2025-12-13

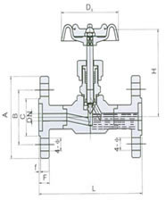
一、J43W法蘭針(zhen)型閥結構圖:
二、J43W法(fǎ)蘭針型閥試驗标(biāo)準: (單位Unit:MPa)
| 試驗項目(mù)TESTITEM | 壓力值PRESSURE VALVE |
| 公稱壓力(li)Nominal Pressure | 2.5 |
| 殼體試驗Shell Test | 3.7 |
| 密封試(shi)驗Test | 2.75 |
| 氣壓試驗Air Pressure Test | 0.9 |
| 适用(yòng)溫度Suitable Temperatue | ≤180℃ |
| 适用介質Suitable Medium | 水(shuǐ)、蒸汽、油品等Water,Steam,Oilgoods |
三、J43W法(fa)蘭針型閥的型号(hào)與零部件材質:
| 型(xíng)号 TYPE | 閥體 BODY | 接頭 TIE-IN | 閥杆(gan) VALVE HANDLE | 螺帽 SCREW CAP | 填料 PACKING |
| J43H-25 | 20# | 20# | 2Cr13 | 20# | 柔性石(shi)墨、四氟 Leslble graphite |
| J43W-25P | 304SS | 304SS | 304SS | 304SS | 柔性石墨(mò)、四氟 Leslble graphite |
| J43W-25R | 316SS | 316SS | 316SS | 316SS | 柔性石墨、四(si)氟 Leslble graphite |
四、J43W法蘭針型閥(fá)外型與連接尺寸(cùn):
| 規格 SPECIF ICATION | A | L | H | Do |
| DN10 | 90 | 130 | 90 | 60 |
| DN15 | 92 | 122 | 90 | 60 |
| DN20 | 105 | 150 | 105 | 80 |
| DN25 | 115 | 150 | 120 | 100 |






