水流(liú)指示器

一(yī)、産品[水流(liu)指示器]的(de)詳細資料(liao):
産品型号(hào):ZSJZ
産品名稱(cheng):水流指示(shì)器
産品特(te)點:ZSJZ-||型水流(liú)指示器是(shi)自動噴淋(lin)滅系統的(de)組成部件(jiàn),借助于供(gong)水管網内(nei)的闆式葉(yè)片控測水(shui)流信号,并(bing)将水流信(xin)号與控制(zhì)器連接,以(yi)啟動電報(bào)警系統或(huo)其它設備(bei),并确定火(huo)災發生區(qū)域。适用于(yu)濕式、幹式(shi)、預作用系(xì)統。
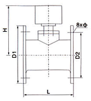
二、ZSJZ水流指(zhi)示器主要(yào)技術參數(shu):
型号 | 公稱(cheng)通徑 | H | D1 | D2 | Φ | |
ZSJZ-I-3-50 | 160 | 160 | 125 | 150 | 18 | |
ZSJZ-I-3-65 | 65 | 170 | 180 | 145 | 160 | 18 |
ZSJZ-I-3-80 | 80 | 180 | 195 | 160 | 170 | |
ZSJZ-I-3-100 | 100 | 195 | 215 | 180 | 180 | 18 |
ZSJZ-I-3-125 | 207 | 245 | 210 | 190 | 18 | |
ZSJZ-I-3-150 | 150 | 280 | 240 | 200 | 23 |
上一(yī)篇:100X遙控浮(fu)球閥
下一(yī)篇:600X型水力(lì)電動控制(zhi)閥
返回首(shou)頁
